Dostawa kolejnego dnia
Uszczelka układu chłodzącego Doosan 400602-00467
100% Satysfakcji
6-12 miesięcy gwarancji
- Opis
- Wysyłka i zwroty
Uszczelka układu chłodzącego
Producent: Doosan OEM
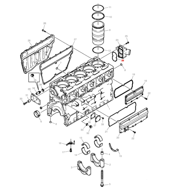
Pozycja 24 na załączonym schemacie.
Występuje w maszynach marki Doosan:
- DL300
- DL350
- DL420
- DL450
- DL550
- DX300LC
- DX340LC
- DX420LC
- DX490LC
Kupując u nas masz 100% pewności, że kupujesz część najwyższej jakości.
Jeśli nie masz pewności, czy dana część pasuje do Twojej maszyny — skontaktuj się z nami!
Pomożemy dobrać właściwą uszczelkę układu chłodzenia.
Numery porównawcze:
400602-00467
40060200467
400602 00467




